大红鹰dhy

您好!欢迎来到东莞市大红鹰dhy精密科技有限公司!

大红鹰dhy阻尼器

恒晟控股集团成员

免费量身定制阻尼器专属方案 全国服务热线:400-844-1988
 您当前的位置:首页 / 阻尼器 / 单向阻尼器 / 洗衣机盖阻尼器

洗衣机盖阻尼器

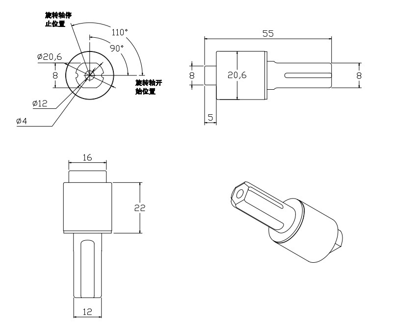
  • 编号:YS1000-J1系列
  • 上架时间:2019-03-13
  • 浏览量:373
  • 用途:广泛应用于各种座椅,马桶盖、板车载CD、车镜、车载烟灰缸、垃圾桶,咖啡壶、电热壶、洗衣机、礼堂椅、影剧院椅、教学排椅、汽车座椅、工程车座椅、火车座椅、马桶盖、纱窗、健身器、机械设备,家具抽屉、橱柜、音响、杯架、卡片盒、顶置太阳镜托、衣服架、把手、油箱盖、灯具箱、储物箱或盒、卷帘、各类小、中型箱盒等翻盖、伸缩、滑动类产品
  • 分享到:0
  • 咨询热线:400-844-1988
  •  索取样品
产品详情
2582783388_1904863295
 



       由于阻尼油用特殊硅油配制而成,产品接触了阻尼油旋转后,产生扭矩,也就是产品值gf.cm,  阻值的大小由阻尼油的粘度,接触面积决定。粘度高,接触面积大,产品阻值就变大;反之,粘度小,接触面积小,阻值就变小,适用温度范围-30--+110℃,产品可根据客户需求调节,A系列为公司双方向有阻力产品,D系列为我公司单方向有阻力产品。




   目前广泛应用于各种座椅,马桶盖、板车载CD、车镜、车载烟灰缸、垃圾桶,咖啡壶、电热壶、洗衣机、礼堂椅、影剧院椅、教学排椅、汽车座椅、工程车座椅、火车座椅、马桶盖、纱窗、健身器、机械设备,家具抽屉、橱柜、音响、杯架、卡片盒、顶置太阳镜托、衣服架、把手、油箱盖、灯具箱、储物箱或盒、卷帘、各类小、中型箱盒等翻盖、伸缩、滑动类产品上,具有防震作用并减缓门开合速度,使其平顺流畅,有效降低产品使用过程中产生的噪音,提升整个产品档次和延缓产品使用寿命,创造最高限度的经济效益。



         















undefined


undefined
















1、马桶盖阻尼器标注扭矩在温度23℃,相对湿度为80%的条件下,高精度伺服驱动电机转速为20r/min作为旋转驱动能,以最大盖子角度使用精密扭矩测试仪旋转(循环5次)作为扭矩测试的依据。
 
2、由于阻尼器(硅油)的物理性能和化学性能都非常稳定(国际标准测定依据),粘温特性曲线斜率只有其他矿物质油的1/5,不同的扭矩要求可调整硅油的粘度来定制。
 
3、根据阻尼器介质、材料和结构的特殊性,使用温度范围为:-10℃-50℃。
在线客服
咨询热线:

400-846-9998